欢迎来到太阳成集团(tyc122cc·china)官网-SunCity Group官方网站!

官方微信     |    网站地图

真空机组-真空系统-太阳成集团122cc科技

您身边的真空管家

品牌真空泵|真空机组|中央真空系统

咨 询 热 线
0512-36809916
136 5626 5682

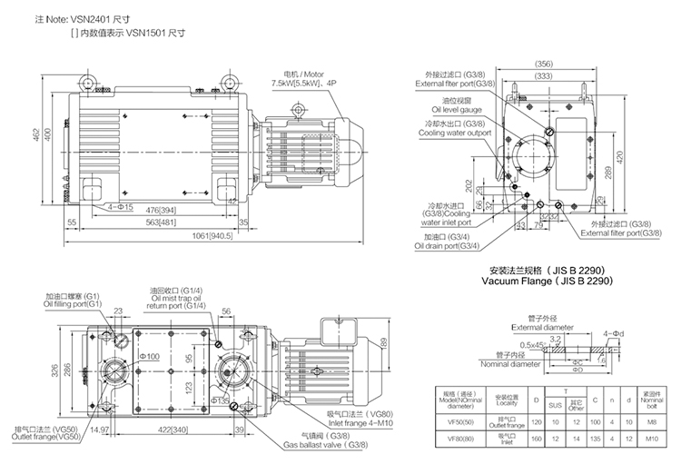
爱发科真空泵VSN2401

采用高吸气压强也能稳定运转的强制运转的供油方式和缸体的水冷方式,能对应全压强领域的连续运转。
选用油雾过滤器、油回收装置、及耐热型密封件后,真空泵就能在大气压以下的全压强范围内连续运转。
采用了极限压力时降低运转声音的结构,VSN1501、VSN2401的噪音能低于74dB(A)(到达极限压力时并带有油雾过滤器、在离泵1米处的测定值)。
旋片结构,能达到高速化(50Hz、1500r/min),大大降低了震动传导大的低频领域的震动。因此无须大规模的基础工程,也容易安置于工厂厂房的2楼、3楼。
为方便日常保养工作,油量确认、油补充、油更换的方向为同一操作方向。
为延长油的补充期,采用了8~10.5L的可变油量。

爱发科真空泵VSN2401

选择规格数量

抽气速率

240m³/h

电机功率

7.5kW

极限压力

5.3Pa

请选择 产品规格

 

  • 产品详情

日本ulvac爱发科润滑油旋片式真空泵vsn2401

爱发科真空泵vsn2401

暂无评价

爱发科真空泵VSN2401
采用高吸气压强也能稳定运转的强制运转的供油方式和缸体的水冷方式,能对应全压强领域的连续运转。
选用油雾过滤器、油回收装置、及耐热型密封件后,真空泵就能在大气压以下的全压强范围内连续运转。
采用了极限压力时降低运转声音的结构,VSN1501、VSN2401的噪音能低于74dB(A)(到达极限压力时并带有油雾过滤器、在离泵1米处的测定值)。
旋片结构,能达到高速化(50Hz、1500r/min),大大降低了震动传导大的低频领域的震动。因此无须大规模的基础工程,也容易安置于工厂厂房的2楼、3楼。
为方便日常保养工作,油量确认、油补充、油更换的方向为同一操作方向。
为延长油的补充期,采用了8~10.5L的可变油量。
长按识别二维码查看详情
长按图片保存/分享
询盘

咨询表单:

  • 请输入验证码

咨询内容:


你还没有添加任何产品

加入成功
图片展示

联系我们

太阳成集团(tyc122cc·china)官网-SunCity Group      

电话:136 5626 5682                   

邮箱:zhengxiaoyan@ksyzg.com         

地址:江苏省苏州市昆山市蓬青路136号5号厂房

      

                           

Copyright @ VillaGrandis All Rights Reserved  ICP备案号180006020号-3

在线客服
联系方式
136 5626 5682
技术咨询
在线客服
添加微信好友,详细了解产品
使用企业微信
“扫一扫”加入群聊
复制成功
添加微信好友,详细了解产品
我知道了
苏ICP备18045690号-1